Продукты
Стандартный шаровой клапан GB
  • Стандартный шаровой клапан GBСтандартный шаровой клапан GB

Стандартный шаровой клапан GB

Высококачественные стандартные проходные клапаны J41H, J41Y и J41W типа GB производятся компанией JQF Valve, профессиональным производителем клапанов в Китае. Их открывающаяся и закрывающаяся части представляют собой цилиндрические тарелки клапана, а уплотнительная поверхность бывает плоской или конической. Диски клапана движутся линейно вдоль центральной линии жидкости. Стандартные вентили GB подходят только для полностью открытых или полностью закрытых применений и обычно не используются для регулирования расхода, но регулирование расхода и дросселирование могут выполняться в соответствии с потребностями клиента.
Foshan Jinqiu Valve Co., Ltd. is a manufacturing factory integrating valve R&D, manufacturing, sales, and service. Our durable GB standard globe valves are specifically designed for oxygen pipelines, ensuring safe, stable, and efficient operation. Made from high-quality materials and undergoing rigorous degreasing and cleaning processes, these valves effectively prevent combustion risks and guarantee reliable sealing performance.

Стандартный вентиль GB на складе подходит для диапазонов давления PN1,6-PN16 и размеров DN15-DN400, они всегда используются в металлургии, химической, медицинской газовой и энергетической промышленности.

Конструктивные особенности

Мы постоянно внедряем инновации и стремимся к совершенству, идя в ногу со временем благодаря высококачественным вентилям стандарта GB и превосходному обслуживанию клиентов! Мы активно внедряем современное оборудование, управление предприятием и персонал технического обслуживания, стремясь создать высококачественный отечественный и международный бренд клапанов. Мы приглашаем новых и старых клиентов посетить и осмотреть наши объекты, сотрудничать для взаимной выгоды и совместно создавать лучшее будущее!

Представительский стандарт

Технические характеристики конструкции: GB/T 12235
Длина конструкции: GB/T 12221
Фланцевое соединение: JB/T 79
Испытание и проверка: JB/T 9002.
Идентификация продукта: GB/T 12220
Характеристики поставки: JB/T 7928

Функции

1. Упрощенная и оптимизированная структура. Упрощенная конструкция повышает эффективность производства компонентов и обслуживания оборудования на 30%. 2. Мгновенное управление открытием и закрытием: конструкция структуры с микроходом обеспечивает скорость открытия и закрытия 0,8 секунды за цикл. 3. Долговечная система уплотнений: технология самосмазывающихся уплотнительных поверхностей обеспечивает сверхнизкий коэффициент трения; Композитный уплотнительный слой имеет срок службы против старения, превышающий 50 000 циклов открытия и закрытия.

Параметры производительности

модель J41H-16C~160C J41Y-16C~160C J41W-16P~160P
Рабочее давление (МПа) 1,6~16,0
правильная температура (℃) ≤425 ≤150
Подходящие носители Вода, пар, масло Слабая коррозионная среда
материал Кузов, капот Углеродистая сталь Хромоникель-титановая нержавеющая сталь
Шток клапана Хромированная нержавеющая сталь Хромоникель-титановая нержавеющая сталь
Уплотняющая поверхность Наплавка сплавов на основе железа Наплавочный сплав Материал корпуса
наполнитель Асбест-графит, гибкий графит, ПТФЭ

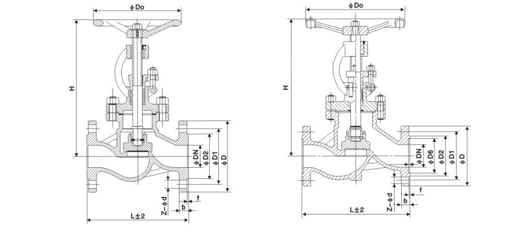
Основная форма и размер соединения

Номинальный диаметр Основные размеры и присоединительные размеры
L D Д1 Д2 b З-д H Д0
J41H-16C
15 130 95 65 45 14-2 4-Φ14 170 120
20 150 105 75 55 14-2 4-Φ14 190 140
25 160 115 85 65 14-2 4-Φ14 205 160
32 180 135 100 78 16-2 4-Φ18 270 180
40 200 145 110 85 16-3 4-Φ18 310 200
50 230 160 125 100 16-3 4-Φ18 358 240
65 290 180 145 120 18-3 4-Φ18 373 240
80 310 195 160 135 20-3 8-Φ18 435 280
100 350 215 180 155 20-3 8-Φ18 500 300
125 400 245 210 185 22-3 8-Φ18 614 320
150 480 280 240 210 24-3 8-Φ23 674 360
200 600 335 295 265 26-3 12-Φ23 811 400
250 650 405 355 320 30-3 12-Φ25 969 450
300 750 460 410 375 30-3 12-Φ25 1145 580
350 850 520 470 435 34-4 16-Φ25 1280 640
400 980 580 525 485 36-4 16-Φ30 1452 640
J41H-25C
15 130 95 65 45 16-2 4-Φ14 170 120
20 150 105 75 55 16-2 4-Φ14 190 140
25 160 115 85 65 16-2 4-Φ14 205 160
32 180 135 100 78 18-2 4-Φ18 270 180
40 200 145 110 85 18-3 4-Φ18 310 200
50 230 160 125 100 20-3 4-Φ18 358 240
65 290 180 145 120 22-3 8-Φ18 373 240
80 310 195 160 135 22-3 8-Φ18 435 280
100 350 230 190 160 24-3 8-Φ23 500 300
125 400 270 220 188 28-3 8-Φ25 614 320
150 480 300 250 218 30-3 8-Φ25 674 360
200 600 360 310 278 34-3 12-Φ25 811 400
250 650 425 370 332 36-3 12-Φ30 969 450
300 750 485 430 390 40-4 16-Φ30 1145 580
350 850 550 490 448 44-4 16-Φ34 1280 640
400 980 610 550 505 48-4 16-Φ34 1452 640

Изображение структуры

Горячие Теги: Стандартный шаровой клапан GB, Китай, по индивидуальному заказу, качество, долговечность, передовые технологии, производитель, поставщик, фабрика, в наличии
Отправить запрос
Контакты
  • Адрес

    № 1, Северная 1-я дорога, Новый город из нержавеющей стали, Lecong Steel World West Road, район Шунде, город Фошань, провинция Гуандун, Китай

  • Электронная почта

    jinqiufamen@gmail.com

По вопросам, касающимся задвижек, проходных клапанов и обратных клапанов или прайс-листа, оставьте нам свой адрес электронной почты, и мы свяжемся с вами в течение 24 часов.

X
Мы используем файлы cookie, чтобы предложить вам лучший опыт просмотра, анализировать трафик сайта и персонализировать контент. Используя этот сайт, вы соглашаетесь на использование нами файлов cookie. политика конфиденциальности
Отклонять Принимать