Продукты
Шаровой клапан из нержавеющей стали
  • Шаровой клапан из нержавеющей сталиШаровой клапан из нержавеющей стали

Шаровой клапан из нержавеющей стали

Прочный проходной клапан из нержавеющей стали J41H, J41Y, J41W производства JQF Valve. Его открывающаяся и закрывающаяся часть представляет собой цилиндрическую створку клапана, уплотнительная поверхность плоская или коническая, створка клапана перемещается линейно вдоль центральной линии жидкости. Запорный клапан из нержавеющей стали подходит только для полного открытия и полного закрытия. Обычно он не используется для регулировки скорости потока. Его можно регулировать и регулировать при настройке.
Фошань Jinqiu Valve Co., LTD. является производителем высококачественных проходных клапанов из нержавеющей стали, объединяющим проектирование, разработку, производство, продажи и обслуживание. Наша основная продукция включает в себя различные регулирующие клапаны, электрические клапаны, пневматические клапаны, электромагнитные клапаны, ручные клапаны, приводы и аксессуары для клапанов.
Наш проходной клапан из нержавеющей стали представляет собой задвижку с литым корпусом из нержавеющей стали, фланцевыми соединениями на обоих концах и конструкцией задвижки. Его основная функция — точно регулировать расход или надежно перекрывать среду в трубопроводах.
Благодаря своей превосходной коррозионной стойкости и надежным уплотнительным характеристикам, он стал одним из предпочтительных клапанов для агрессивных сред или приложений с высокой степенью чистоты в химической, нефтехимической, пищевой и фармацевтической промышленности.
Customers trust JQF valves' high quality, reliable performance, and good and comprehensive customer service. We will continue to innovate to provide first-class valve solutions.

1. Простая конструкция. Конструкция шарового клапана из нержавеющей стали проста, что делает производство и обслуживание удобным и эффективным.
2. Быстрый отклик: короткий рабочий ход позволяет чрезвычайно быстро открывать и закрывать клапан.
3. Прочное уплотнение: отличный уплотняющий эффект, минимальное сопротивление трению и длительный срок службы.

Представительский стандарт

Технические характеристики конструкции: GB/T 12235
Длина конструкции: GB/T 12221
Фланцевое соединение: JB/T 79
Испытание и проверка: JB/T 9002
Идентификация продукта: GB/T 12220
Характеристики поставки: JB/T 7928

Параметры производительности

модель J41H-16C~160C J41Y-16C~160C J41W-16P~160P
Рабочее давление (МПа) 1,6~16,0
правильная температура (℃) ≤425 ≤150
Подходящие носители Вода, пар, масло Слабая коррозионная среда
материал Кузов, капот Углеродистая сталь Хромоникель-титановая нержавеющая сталь
Шток клапана Хромированная нержавеющая сталь Хромоникель-титановая нержавеющая сталь
Уплотняющая поверхность Наплавка сплавов на основе железа Наплавочный сплав Материал корпуса
наполнитель Асбест-графит, гибкий графит, ПТФЭ

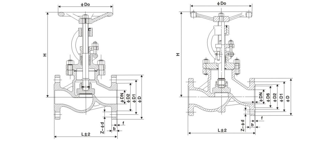
Основная форма и размер соединения

Номинальный диаметр Основные размеры и присоединительные размеры
L D Д1 Д2 b З-д H Д0
J41H-16C
15 130 95 65 45 14-2 4-Φ14 170 120
20 150 105 75 55 14-2 4-Φ14 190 140
25 160 115 85 65 14-2 4-Φ14 205 160
32 180 135 100 78 16-2 4-Φ18 270 180
40 200 145 110 85 16-3 4-Φ18 310 200
50 230 160 125 100 16-3 4-Φ18 358 240
65 290 180 145 120 18-3 4-Φ18 373 240
80 310 195 160 135 20-3 8-Φ18 435 280
100 350 215 180 155 20-3 8-Φ18 500 300
125 400 245 210 185 22-3 8-Φ18 614 320
150 480 280 240 210 24-3 8-Φ23 674 360
200 600 335 295 265 26-3 12-Φ23 811 400
250 650 405 355 320 30-3 12-Φ25 969 450
300 750 460 410 375 30-3 12-Φ25 1145 580
350 850 520 470 435 34-4 16-Φ25 1280 640
400 980 580 525 485 36-4 16-Φ30 1452 640
J41H-25C
15 130 95 65 45 16-2 4-Φ14 170 120
20 150 105 75 55 16-2 4-Φ14 190 140
25 160 115 85 65 16-2 4-Φ14 205 160
32 180 135 100 78 18-2 4-Φ18 270 180
40 200 145 110 85 18-3 4-Φ18 310 200
50 230 160 125 100 20-3 4-Φ18 358 240
65 290 180 145 120 22-3 8-Φ18 373 240
80 310 195 160 135 22-3 8-Φ18 435 280
100 350 230 190 160 24-3 8-Φ23 500 300
125 400 270 220 188 28-3 8-Φ25 614 320
150 480 300 250 218 30-3 8-Φ25 674 360
200 600 360 310 278 34-3 12-Φ25 811 400
250 650 425 370 332 36-3 12-Φ30 969 450
300 750 485 430 390 40-4 16-Φ30 1145 580
350 850 550 490 448 44-4 16-Φ34 1280 640
400 980 610 550 505 48-4 16-Φ34 1452 640

Изображение структуры

Горячие Теги: Шаровой клапан из нержавеющей стали, Китай, по индивидуальному заказу, качество, долговечность, передовые технологии, производитель, поставщик, фабрика, в наличии
Отправить запрос
Контакты
  • Адрес

    № 1, Северная 1-я дорога, Новый город из нержавеющей стали, Lecong Steel World West Road, район Шунде, город Фошань, провинция Гуандун, Китай

  • Электронная почта

    jinqiufamen@gmail.com

По вопросам, касающимся задвижек, проходных клапанов и обратных клапанов или прайс-листа, оставьте нам свой адрес электронной почты, и мы свяжемся с вами в течение 24 часов.

X
Мы используем файлы cookie, чтобы предложить вам лучший опыт просмотра, анализировать трафик сайта и персонализировать контент. Используя этот сайт, вы соглашаетесь на использование нами файлов cookie. политика конфиденциальности
Отклонять Принимать